产品名称/型号: 大流量点胶阀 CY287
产品介绍:
CY287点胶阀适用硅胶、大流量涂胶,采用多层密封方式涂胶流量大,点胶速率快。最小可在3-5mm范围内进行工作,线宽2-12mm, VALVE反应速度快;小型化的ORIFICE设计,适合于中高黏度液体;耐用力强,涂线均匀。可接双管,单管大接口针头,也可接普通小针头。可单独搭配A210点胶机使用。
产品参数:
1.驱动气压:0.5~0.6MPa
2.液体输送压力: 0.1~0.6MPa 要求可调
3.密闭方式:U型密封方式
4.关闭方式:活塞方式
5.出胶口径:Ø3mm
6.适用液体:硅胶、润滑液体等
7.粘度范围:1~3000Cps
9.重量:500g
10.进液方式:管道连接,(压力罐)
序号 | 产品型号 | 出胶方式 | 出胶口径 |
1 | CY287 | 金属单针管 | 3mm |
2 | CY287B | 双针管 | 1.5mmX2 |
3 | CY287G | 普通不锈钢点胶针 | 10G-20G |
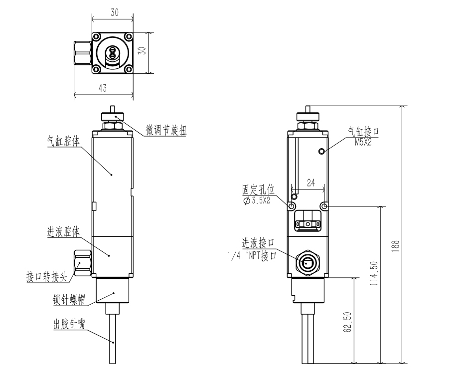
产品尺寸

18929329869
地址:湖南省岳阳市汨罗市弼时镇长粤智能科技有限公司
E-mail:2389952346@qq.com
售后服务:0730-5940513
请输入您的关键词,以便更快的了解我们最新的新闻和产品信息

扫码联系我们