产品名称/型号:GE8016 中面积雾化阀
GE8016型中面积喷雾阀,又称圆锥形喷雾阀,重复出液精度误差正负0.01mg,雾化气流采用最 新恒流恒压算法设计,精准稳定长寿命,高端自动化设备,高要求工艺生产线的理想配套执行部件。
产品参数
1.可喷涂30---6000mpa/s粘度范围内的涂料
2.喷嘴设计,零残留,易于清洗
3.溶剂型涂料涂层厚度可达5---200um
4.液量与气压可独立调节,可满足多种涂料的完美雾化效果,边缘清晰,无锯齿状
5.单次涂覆宽度:8--15mm
6.可搭载任何喷涂机上实现倾斜与旋转,选择性任意喷涂
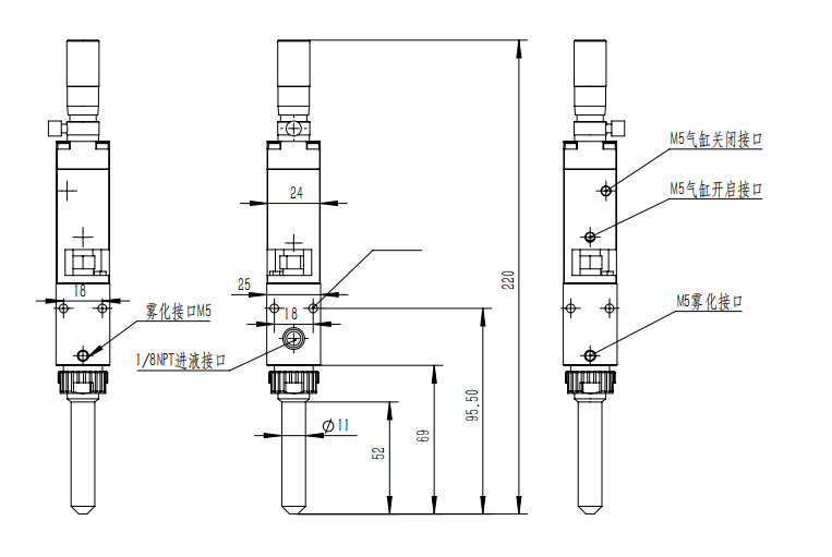
产品尺寸

18929329869
地址:湖南省岳阳市汨罗市弼时镇长粤智能科技有限公司
E-mail:2389952346@qq.com
售后服务:0730-5940513
请输入您的关键词,以便更快的了解我们最新的新闻和产品信息

扫码联系我们